切换导航
ДОМ
НАСЧЕТ НАС
Профиль компании
История компании
ТОВАРЫ
Подшипник
Радиально-упорный шарикоподшипник
Радиальный шарикоподшипник
Самоустанавливающийся шарикоподшипник
Двухрядный радиально-упорный шарикоподшипник
Упорный шарикоподшипник
Подшипник тонкого сечения
Роликовый подшипник
Сферический роликовый подшипник
Цилиндрический роликовый подшипник
Конический роликовый подшипник
Цилиндрический роликовый упорный подшипник
Сферический роликовый упорный подшипник
Подшипник с перекрестными роликами
Подшипник поворотного стола YRT
Игольчатый роликовый подшипник
поворотный подшипник
Индивидуальный подшипник
Криогенный подшипник
Подшипники для работы при высоких температурах
Подшипник Insocoat
Винтовой упорный подшипник
Тандемный подшипник
Track runner bearings
Сферический подшипник скольжения
Конический роликоподшипник редуктора RV
Fluid dynamic bearings
BACK-UP ROLLERS
Stock List
Sales Center
качество
Качественный
Сертификат
НОВОСТИ
ЗАЯВЛЕНИЕ
СВЯЗАТЬСЯ С НАМИ
Радиально-упорный шарикоподшипник метрической серии
Главная
Monton-Bearings
Подшипник
Подшипник тонкого сечения
Подшипник тонкого сечения метрической серии
Радиально-упорный шарикоподшипник метрической серии
Part Number:
d:
D:
B:
Радиально-упорный шарикоподшипник метрической серии
Отправить запрос
PDF
Страница для печати
Сохранить в избранном
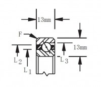
Описание и технические диаметры
Выбрать
запрос
Номер подшипника
Размеры (мм)
Capacities(kg)
Вес (кг)
Скважина
Внешний диам.
L1
L2
L3
Радиальный
Толкать
Динамический
Статический
Динамический
Статический
K02508AR0
25
41
30.9
35.1
37.2
372
272
1073
561
0.06
K05008AR0
50
66
55.9
60.1
62.2
656
367
1894
819
0.08
K06008AR0
60
76
65.9
70.1
72.2
787
408
2273
925
0.09
K07008AR0
70
86
75.9
80.1
82.2
896
440
2588
1009
0.1
K08008AR0
80
96
85.9
90.1
92.2
1006
470
2903
1090
0.12
K09008AR0
90
106
95.9
100.1
102.2
1137
505
3282
1182
0.13
K10008AR0
100
116
105.9
110.1
112.2
1246
533
3598
1257
0.14
K11008AR0
110
126
115.9
120.1
122.2
1356
561
3914
1329
0.15
K12008AR0
120
136
125.9
130.1
132.2
1465
587
4229
1400
0.16
K13008AR0
130
146
135.9
140.1
142.2
1596
618
4608
1482
0.17
K14008AR0
140
156
145.9
150.1
152.2
1706
643
4923
1549
0.18
K15008AR0
150
166
155.9
160.1
162.2
1815
667
5239
1615
0.2
K16008AR0
160
176
165.9
170.1
172.2
1946
696
5618
1691
0.2
K17008AR0
170
186
175.9
180.1
182.1
2055
720
5933
1754
0.21
K18008AR0
180
196
185.9
190.1
192.1
2165
742
6249
1816
0.22
K19008AR0
190
206
195.9
200.1
202.1
2296
769
6628
1889
0.23
K20008AR0
200
216
205.9
210.1
212.1
2405
791
6944
1948
0.23
K25008AR0
250
266
255.9
260.1
262.1
2974
897
8585
2244
0.28
K30008AR0
300
316
305.9
310.1
312.1
3564
999
10289
2532
0.33
K32008AR0
320
336
325.9
330.1
332.1
3805
1039
10983
2645
0.36
K34008AR0
340
356
345.9
350.1
352.1
4023
1073
11614
2745
0.38
K36008AR0
360
376
365.9
370.1
372.1
4264
1110
12309
2854
0.4
K02513AR0
25
51
347
41 3
447
616
554
1778
1075
0 13
K05013AR0
50
76
59.7
66.3
69.6
1064
725
3070
1547
0.20
K06013AR0
60
86
69.7
76.3
79.6
1232
782
3555
1706
0.22
K07013AR0
70
96
797
86 3
896
1456
860
4201
1906
0 25
K08013AR0
80
106
89.7
96.3
99.6
1623
913
4686
2050
0.28
K09013AR0
90
116
99.7
106.3
109.6
1791
964
5171
2190
0.31
K10013AR0
100
126
1097
116 3
1196
1959
1013
5656
2324
0 34
K11013AR0
110
136
119.7
126.3
129.6
2127
1061
6141
2455
0.37
Предыдущая
1
2
3
Следующая
Copyright©2022 Luoyang MONTON Bearing Science&Technology Co., Ltd. All Rights Reserved
|
sitemap
在线客服系统
×
Пожалуйста, свяжитесь с нами, если у вас есть какие-либо вопросы.
Подшипник No.
Контакты
Страна
Телефонный номер
Название компании
E-mail :
Замечание
Проверка