切换导航
ДОМ
НАСЧЕТ НАС
Профиль компании
История компании
ТОВАРЫ
Подшипник
Радиально-упорный шарикоподшипник
Радиальный шарикоподшипник
Самоустанавливающийся шарикоподшипник
Двухрядный радиально-упорный шарикоподшипник
Упорный шарикоподшипник
Подшипник тонкого сечения
Роликовый подшипник
Сферический роликовый подшипник
Цилиндрический роликовый подшипник
Конический роликовый подшипник
Цилиндрический роликовый упорный подшипник
Сферический роликовый упорный подшипник
Подшипник с перекрестными роликами
Подшипник поворотного стола YRT
Игольчатый роликовый подшипник
поворотный подшипник
Индивидуальный подшипник
Криогенный подшипник
Подшипники для работы при высоких температурах
Подшипник Insocoat
Винтовой упорный подшипник
Тандемный подшипник
Track runner bearings
Сферический подшипник скольжения
Конический роликоподшипник редуктора RV
Fluid dynamic bearings
BACK-UP ROLLERS
Stock List
Sales Center
качество
Качественный
Сертификат
НОВОСТИ
ЗАЯВЛЕНИЕ
СВЯЗАТЬСЯ С НАМИ
Серия MR
Главная
Monton-Bearings
Подшипник
Радиальный шарикоподшипник
Миниатюрный шарикоподшипник
Серия MR
Part Number:
d:
D:
B:
Серия MR
Отправить запрос
PDF
Страница для печати
Сохранить в избранном
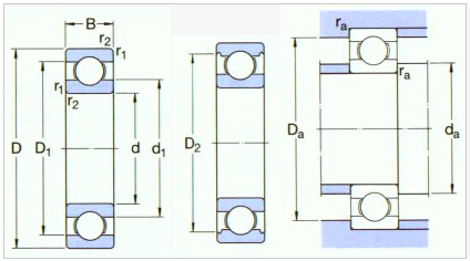
Описание и технические диаметры
Выбрать
запрос
Обозначение
Основные размеры (мм)
Базовая грузоподъемность (Н)
Базовая грузоподъемность{кгс}
Рейтинги скорости (об/мин)
Размеры абатмента и галтели (мм)
Вес (г)
С щитом
Открытый тип
С печатью ВВ
С печатью ДД
д:
Д:
Б:
Б1
г (мин)
Кр
Кор
Кр
Кор
Смазка
Масло
да мин
дБ (макс.)
Да(макс.)
дБ (мин)
ра макс
руб макс
Открытый тип
С щитом
ЗЗ
Д·Д
Z
MR31
-
-
-
1
3
15
-
0.05
80
23
8
2.5
130000
-
150000
1.4
-
2.6
-
0.05
-
0.04
-
MR41X
MR41XZZ
-
-
1.2
4
1.8
2.5
0.1
138
35
14
3.5
110000
-
130000
2
1.9
3.2
3.5
0.1
0.1
0.1
0.14
MR52B
MR52BZZ
-
-
2
5
2
25
0.1
187
58
19
6
85000
-
100000
2.8
2.7
4.2
4.4
0.1
0.1
0.16
0.23
MR62
MR62ZZ
-
-
2
6
25
2.5
0.15
330
98
34
10
75000
-
90000
3.2
3
4.8
5.2
0.15
0.15
0.3
0.29
MR72
MR72ZZ
-
-
2
7
25
3
0.15
385
127
39
13
63000
-
75000
3.2
3.8
5.8
6.2
0.15
0.15
0.45
0.49
MR82X
-
-
-
2.5
8
25
-
2
560
179
57
18
60000
-
67000
4.1
-
6.4
-
0.2
-
0.56
-
MR63
MR63ZZ
-
-
3
6
2
2.5
0.1
208
74
21
7.5
71000
-
80000
3.8
3.7
5.2
5.4
0.1
0.1
0.2
0.27
MR83
-
-
-
3
8
2.5
-
0.15
560
179
57
18
60000
-
67000
4.2
-
6.8
-
0.15
-
0.54
-
MR93
MR93ZZ
-
-
3
9
25
4
0.2
570
187
58
19
56000
-
67000
4.6
4.3
7.4
7.9
0.2
0.15
0.73
1.18
MR74
-
-
-
4
7
2
-
0.1
310
115
32
12
60000
-
67000
4.8
-
6.2
-
0.1
-
0.22
-
-
MR74ZZ
-
-
4
7
-
25
-
255
107
26
11
60000
-
71000
-
4.8
-
6.3
-
0.1
-
0.29
MR84
MR84ZZ
-
-
4
8
2
3
0.15
395
139
40
14
56000
-
67000
5.2
5
6.8
7.4
0.15
0.1
0.36
0.56
MR104B
MR104BZZ
-
-
4
10
3
4
0.2
710
270
73
28
50000
-
60000
5.6
5.9
8.4
8.8
0.2
0.15
1.04
1.42
MR85
-
-
-
5
8
2
-
0.1
310
120
31
12
53000
-
63000
5.8
-
7.2
-
0.1
-
0.26
-
-
MR85ZZ
-
-
5
8
-
2.5
-
278
131
28
13
53000
-
63000
-
5.8
-
7.4
-
0.1
-
0.34
MR95
MR95ZZ1
-
-
5
9
2.5
3
0.15
430
168
44
17
50000
-
60000
6.2
6
7.8
8.2
0.15
0.15
0.5
0.58
MR105
MR105ZZ
-
-
5
10
3
4
0.15
430
168
44
17
50000
-
60000
6.2
6
8.8
8.4
0.15
0.15
0.95
1.29
-
MR115ZZ
MR115VV
-
5
11
-
4
-
715
276
73
28
48000
-
56000
-
6.3
-
9.8
-
0.15
-
1.49
MR106
MR106ZZ1
-
-
6
10
2.5
3
0.15
495
218
51
22
45000
-
53000
7.2
7
8.8
9.3
0.15
0.1
0.56
0.68
MR126
MR126ZZ
-
MR126DD
6
12
3
4
0.2
715
292
73
30
43000
40000
50000
7.6
7.2
10.4
10.9
0.2
0.15
1.27
1.74
MR117
MR117ZZ
-
-
7
11
2.5
3
0.15
455
201
47
21
43000
-
50000
8.2
8
9.8
10.5
0.15
0.1
0.62
0.72
MR137
MR137ZZ
-
-
7
13
3
4
0.2
540
276
55
28
40000
-
48000
8.6
9
11.4
11.6
0.2
0.15
1.58
2.02
MR128
MR128ZZ1
-
-
8
12
2.5
3.5
0.15
545
274
56
28
40000
-
48000
9.2
9
10.8
11.3
0.15
0.1
0.71
0.97
MR148
MR148ZZ
MR148VV
MR148DD
8
14
3.5
4
0.2
820
385
83
39
38000
32000
45000
9.6
9.2
12.4
12.8
0.2
0.15
1.86
2.16
Copyright©2022 Luoyang MONTON Bearing Science&Technology Co., Ltd. All Rights Reserved
|
sitemap
在线客服系统
×
Пожалуйста, свяжитесь с нами, если у вас есть какие-либо вопросы.
Подшипник No.
Контакты
Страна
Телефонный номер
Название компании
E-mail :
Замечание
Проверка