

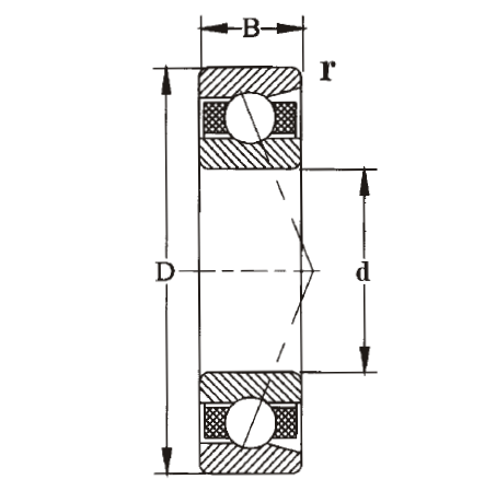
| Выбрать | запрос | Подшипник No. | Граничные размеры (мм) | Грузоподъемность (кН) | Предельная скорость (об / мин) | Масса | ||||
|---|---|---|---|---|---|---|---|---|---|---|
| д: | Д: | Б: | Динамический (Cr) | Статический (Кор) | Смазка | Масло | Кг | |||
| 7406AC | 30 | 90 | 23 | 55.6 | 32.7 | 6500 | 8500 | 0.96 | ||
| 7407AC | 35 | 100 | 25 | 66.4 | 41.9 | 5500 | 8000 | 1.14 | ||
| 7408AC | 40 | 110 | 27 | 73.7 | 42.1 | 5200 | 7000 | 1.4 | ||
| 7409AC | 45 | 120 | 29 | 84.5 | 55.1 | 5000 | 6500 | 1.8 | ||
| 7410AC | 50 | 130 | 31 | 115.8 | 78.3 | 4500 | 6000 | 2.25 | ||
| 7411AC | 55 | 140 | 33 | 121.4 | 84.5 | 4200 | 5600 | 2.75 | ||
| 7412AC | 60 | 150 | 35 | 131.8 | 95.3 | 3800 | 5200 | 3.4 | ||
| 7413AC | 65 | 160 | 37 | 142.5 | 106.7 | 3400 | 4800 | 4.2 | ||
| 7414AC | 70 | 180 | 42 | 154.6 | 122 | 3200 | 4500 | 5.8 | ||
| 7415AC | 75 | 190 | 45 | 165.2 | 133.5 | 3000 | 4200 | 7 | ||
| 7416AC | 80 | 200 | 48 | 176.5 | 147.2 | 2800 | 4000 | 8.4 | ||
| 7417AC | 85 | 210 | 52 | 188 | 161.5 | 2600 | 3700 | 9.6 | ||
| 7418AC | 90 | 225 | 54 | 200.3 | 178.1 | 2400 | 3400 | 11.2 | ||