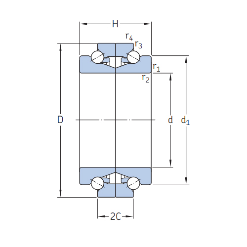
Part Number:
d:
D:
B:
  • Двойной радиально-упорный шарикоподшипник
  • Двойной радиально-упорный шарикоподшипник

Dimension and Parameters

Bearings :234714M
Demensions(mm)
d :73
D :110
d1 :97
T :48
C :24
B :12
rsmin :1.1
r1smin :0.3
Assembly Demension(mm)
da min :86.5
Da max :103.5
ra max :1
rb max :0.3
Loading(KN)
Ca :42.5
Coa :93
RPM(r/min)
Grease :5300
Oil :7000
Oil groove and oil hole(mm)
n :6.5
k :3.2
stiffness(N/μm)
Ra :550
Weight(kg) :1.36
在线客服系统