Part Number:
d:
D:
B:
  • Трехрядный подшипник поворотного ролика с внутренними зубьями
  • Трехрядный подшипник поворотного ролика с внутренними зубьями

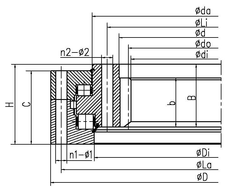
Dimension and Parameters

Bearing No. :HIU30/1120Y
INA No. :
LYC No. :134.32.1120.** 
Dimensions(mm)
Da :900
D :1284
di :
H :182
Installation size(mm)
La :1240
Li :1000
n1 :40
n2 :40
φ1 :22
φ2 :22
Structure size(mm)
D1 :
d :956
b :120
h :10
B :142
C :172
Di :1079
Da :1090
Tooth parameter(mm)
m :12
z :76
do :912
x :0.5
Rated axial static load (KN) :7680
Weight(kg) :820
在线客服系统